- 集团网站
- 选择区域/语言
登录
全面支持ONVIF 及GB/T28181 标准
系统 |
主处理器 |
工业级嵌入式微控制器 |
操作系统 |
嵌入式LINUX操作系统 |
|
系统资源 |
360M 接入/360M存储/300M转发 |
|
视频参数 |
画面显示 |
1/4/8 /9/16/32 画面显示(双屏拼接、扩展) |
录像图像质量 |
12MP/8MP/6MP/5MP/3MP/1080P/720P/D1/CIF |
|
视频压缩标准 |
H.265/H.264/MPEG |
|
码流类型 |
限定码流,可变码流 |
|
回放图像质量 |
4K/1080P/720P/D1/CIF/QCIF |
|
录像管理 |
本地回放 |
支持4路同步回放 |
录像查询方式 |
智能时间标签、时间点检索、日历检索、事件检索、通道检索 |
|
录像保存 |
本机硬盘/网络 |
|
备份方式 |
网络/USB/本机硬盘/eSATA |
|
视频 |
视频输入 |
64 路 H.265/H.264混合接入 |
VGA 输出 |
1 路VGA(最高1080P显示输出) |
|
HDMI 输出 |
2 路HDMI,HDMI1(最高4K显示输出),HDMI2(最高1080P显示输出) |
|
音频 |
音频压缩 |
G.711 |
音频对讲输入 |
1 路BNC |
|
音频输出 |
1 路BNC |
|
外部I/O |
报警输入 |
16 路报警输入 |
报警输出 |
4 路继电器输出(24V DC 2A,120V AC 1A) |
|
RS485 接口 |
2 个RS485 |
|
RS232 接口 |
1 个RS232 |
|
USB 接口 |
2 个USB2.0和1个USB3.0 |
|
硬盘 |
硬盘 |
8 块硬盘 |
eSATA 接口 |
2 个 |
|
硬盘容量 |
3.5”500/750GB/1TB/2TB/3TB/4TB/6TB , SATA 磁盘 |
|
硬盘安装 |
支持热插拔 |
|
网络特性 |
网络键盘 |
支持 |
网络接口 |
2 个RJ45 10M/100M/1000M自适应以太网口 |
|
电气特性 |
电源 |
AC220V |
功耗 |
<35W(不含硬盘) |
|
物理特性 |
工作温度 |
+10 ℃~+55℃ |
工作湿度 |
10% ~ 90% RH |
|
大气压 |
86kpa ~106kpa |
|
机箱 |
19 英寸标准2U机箱 |
|
外型尺寸 |
438( 长)x433(宽)x88(高)mm |
|
重量 |
6.5kg |
|
安装方式 |
机架安装,台式安装 |

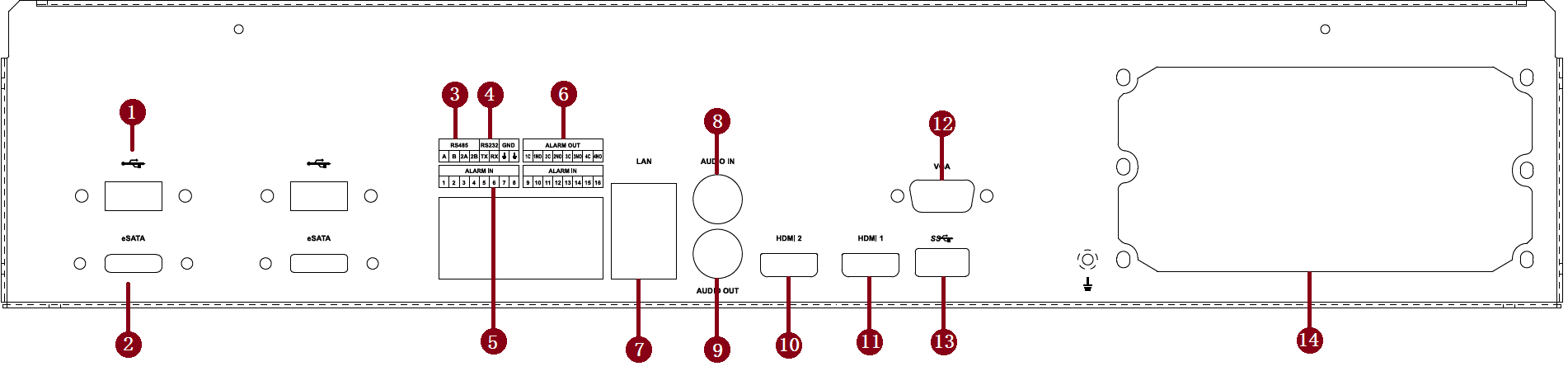
1 –USB2.0接口
2 –eSATA接口
3 –RS485
4 –RS232
5 –报警输入
6 –报警输出
7 –RJ45
8 –音频输入接口
9 –音频输出接口
10 –HDMI2接口
11 –HDMI1接口
12 –VGA接口
13 –USB3.0接口
14 –电源接口